SECP1513 - Technology And Information System

Report PC Assembly

My group made a report on how to assemble a PC

Group Members

1.  Amirul Shafiq Bin Amirrullah (A20EC0013)

2.  Natasya Nadhira Binti Ahmad Nazrain (A20EC0103)

3.  Hafiz Surya Nugraha (A20EC0304)

Intro

Building a computer from scratch gives us the perfect machine for our own needs and requirements, but it can be daunting the first time around. To begin building or assembling a computer, one must know the computer hardware basics.

 

Preparing the required tools for pc assembling is a great way to start. Although a single Phillips screwdriver is all we need to construct a PC, it is wise to have a few more things on hand just in case. For example, needle nose pliers or a head mounted head may come in handy to place screws into tight places or retrieve them. The most important part before beginning pc assembling, we must make sure that we acquire the fundamental knowledge of the motherboard component part and make sure we take safety precautions such as removing any electrostatic charge and installing the right cable at the right connection. After this, we are prepared to do a practical pc assembling step-by-step.

 

Tools needed to establish a PC:

1. Screwdrivers

2. Needle Nose Pliers

3. Head Mounted Lamp (Great for searching dark areas)

5. Thermal Paste

Steps on How To Assemble A PC

Before assembling a PC, make sure to discharge any static buildups and to yourself from any electrostatic charges for example, touching metal objects to discharge the statics or purchase an anti-static wrist strap as touching any PC parts with statics can cause electric charges to yourself and maybe can damage the certain part of the PC parts.

Step 1  : Processor

Processor is like a brain inside a computer. A computer cannot run without it. In order to install the processor, make sure that the processor is compatible with the socket type of the motherboard. AMD and Intel have different types of sockets. Intel processors will not fit into AMD motherboards and vice versa. After unboxing a CPU box, make sure to only hold the edge of the processor, as shown in this picture. Never touch the golden pins under the processor under any circumstances as it can damage the pins. Open the socket near the CPU slot and then carefully insert the processor into the processor slot and close the socket gently after that.

 

Secondly, install the CPU cooler. Take out the metal strap covering the fan slots by removing the screws by using a Phillips screwdriver. And then, mount the cooler fan on the CPU, some cooler fan can be mounted easily by just clicking on the corner until it snaps. Some cooler fans will have to be screwed to get it tight on the CPU.  Locate where the cooler cable will go in the motherboard. Look at a motherboard port called “CPU_FAN” or equivalent and insert the cable associated with the cooler fan and insert it to the port. Heat sink is also useful and common in increasing the heat conductivity and heat flow away as well as from the PC.

 

Step 2  : Installing RAM into motherboard

Install the RAM from the box into the memory slot in the motherboard. Do not touch the pins under the RAM. Open the memory holder. And then, align the pins on the RAM into the memory slot before putting it in. Apply a little pressure of inserting the RAM until the “snap” sound is heard. When it snaps, it means that the RAM is properly installed.

Steps On How To Assemble A PC

Step 3  : Installing motherboard into PC case

Before installing the motherboard inside a PC, an IO shield have to be installed first, where we can connect the peripherals through there such as USB devices, audio devices, ethernet ports and others. IO shield is usually included inside the motherboard box. To insert the IO shield into the PC, apply pressure towards the corners of the panel until it snaps.

 

Locate the standoffs of the PC. If the PC only has 6 standoffs while the motherboard has 9 holes in it, then install the other 3 standoffs that are included in the PC case by screwing them in place. Then, place and screw the motherboard by Phillips screwdriver into the allocated standoffs in the PC by cross pattern tactics to apply even pressure to the motherboard. Do not overtighten the screws.

 

Step 4  : Mounting the power supply into PC

 

There are 2 types of power supply which is non modular and modular power supply. Non modular power supply is included with the wires (right) while modular power supply has ejectable wire ports on it (left) in which we have to buy the cables separately. Insert the power supply in the allocated power supply location inside the PC (usually at the corner) and mount it by screwing the corner of the power supply slots by screw. And then, attach the power supply 24-pin IDE cable into the motherboard.

Then, attach the 24-pin and 8-pin (sometimes 4-pin depending on the power supply) IDE cable from the power supply into the motherboard with the ports shown as above. This is crucial because the PC will not turn on without installing either one of them. After that, attach the 3-pin big wire cable from the main plug into the power supply to turn on the power.

 

Step 5  : Installing CD-ROM

Nowadays, most recently created PCs do not include the location of the optical drive. If that is so, this step can be skipped. Slide the optical drive into the optical drive location allocated space in the PC. Then, line up the holes in the PC with the holes in the optical drive and screw in the optical drive aligned with the PC.

 

Step 6  : Installing the right cables

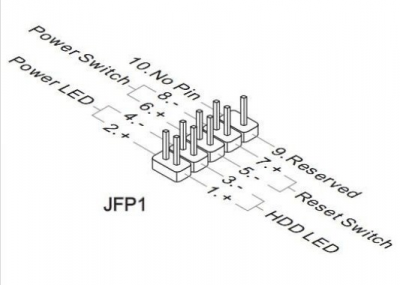
The cables mentioned are mostly cables from power supply such as 24-pin CPU, (4+4) pin CPU, MOLEX, SATA and floppy connectors and 8-pin PCI-E. There are also front cable connectors from the PC case such as 3.0 USB cable adapter, HD Audio, USB, Power Switch, Reset Switch, HDD LED & power LED +-. These cables need to be inserted properly into the motherboard.

 

As mentioned before, both 24-pin and (4+4) pin cable has to be inserted into the motherboard ports shown before. So, firstly, the locations of the front panel ports need to be identified first, before putting the cables in the motherboard. Plug in the 3.0 USB cable adapter and HD Audio cable into the allocated ports inside the motherboard.  Plug in USB cable from the PC case into the motherboard (one of them in USB1, USB2,...  . For HDD LED, Reset Switch Power Switch, Power LED, those things need to be installed into the correct location of its ports which is usually found at the bottom or top right of the motherboard, otherwise the PC will not turn on.

Steps on How To Assemble A PC

Step 7  : Mounting a storage drive  

Internal 3.5 inch hard disk is usually mounted in a drive bay, provided by the PC case. Just align the holes in the PC towards the HDD/SSD holes and screw it. And then, attach the SATA/IDE power cable from the power supply and from the SATA/IDE separate cable to be plugged in inside the storage drives. The SATA/IDE separate cable is then plugged in inside a port inside the motherboard For HDD, make sure that the orientation is always vertical or horizontal, not at a certain angle as it can slow down the data flow in HDD. As for Solid State Drive (SSD), it is safe to install it everywhere in the PC as the SSD is a type of vibration-resistance device in which the HDD is not. HDD ports consist of (from left) IDE or PATA power port , SATA data ports and SATA power ports. Note that the jumper settings that can be plugged only by IDE cable in the HDD ports may vary depending on the type of the HDD.

 

Step 8  : Installing a Graphics Card

Some processors already have their integrated graphics card included for the PC. For example, Intel Core i5 2500 with its integrated graphics card of Intel HD graphics. In this case, this step can be skipped, unless if the motherboard has 2 or more graphics card slots then it is up to the user whether to install another or not.. In order to install the graphics card, put out the side panel of the PC by unscrewing them, removing the screws. Then, open the pin cover under the graphic card in order to install the golden pins into the motherboard.  Align the pins from the graphics card into the PCI slot from the motherboard and apply some pressure to insert it correctly. If the ”snap” sound is present, then the graphics card is properly installed. Next, screw the side panel inside by using the Phillips screwdriver at the top and bottom of the panel. Attach the 8-pin PCI-E cable from the power supply into that one graphics card port. When the power supply is turned on, sometimes the graphics card has a light indicator which shows white light if the graphics card is installed correctly and red light if it is not.

 

Step 9  : Closing the case and connecting the peripherals

Peripherals is a collection of parts of hardware that is needed to complete a computer setup. These parts consist of monitor, printer, mouse, speaker, router, headphones and many more. Nowadays, there are HDMI ports that can be connected into HDMI port monitors which perform better in terms of resolution, data flow and so on than those of VGA ports.

Basically, just plug in the cables into its position and the PC is completed and can be assembled. For instance, plugging the mouse cable, speakers, monitor cable, keyboard cable and also the ethernet port into the port shown in above. For those who preferred Wifi over Ethernet, the Wifi USB adapter can be bought on the market. Just insert the USB on one of the USB ports and then the PC is connected to the Internet.

After all of the peripherals have been connected, install the Windows Operating Software and purchase the license key from the market or buy it online. Usually, assembling a PC takes around a few minutes by a professional and maybe a few hours for those who want to try something new, depending on the skills. But building and assembling PCs really gives experience a whole new different level.

Reflection

Now because of this assessment, I would be able to understand better about how to assemble a PC. Now I know the PC parts and the tools needed to build this PC correctly. I can observe how PC parts such as processor, fan cooler, graphics card, storage drive, etc. How do they work and their performance. Cables have to be properly aligned or they will not be functional and all that. I hope that this report should be guidance for many people as well.

File(s) to download