My pages

Academic activities and projects

by SALEM

Industrial visit

Details

This was my first industrial visit. We visited a plant that produces oil from palm oil. In this visit, we were exposed how process of chemical processes work in general. We get the experience of seeing large scale chemical industry equipment. Besides that, we were told skills that required from chemical engineers such as critical thinking, problem solving, communication and team working. Really it was interesting and we all enjoyed. Industrial visits are always liked by lecturers to increase up our knowledge that are related to chemical industry.

Details

Plant Control System Design Project

Details

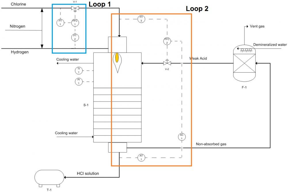
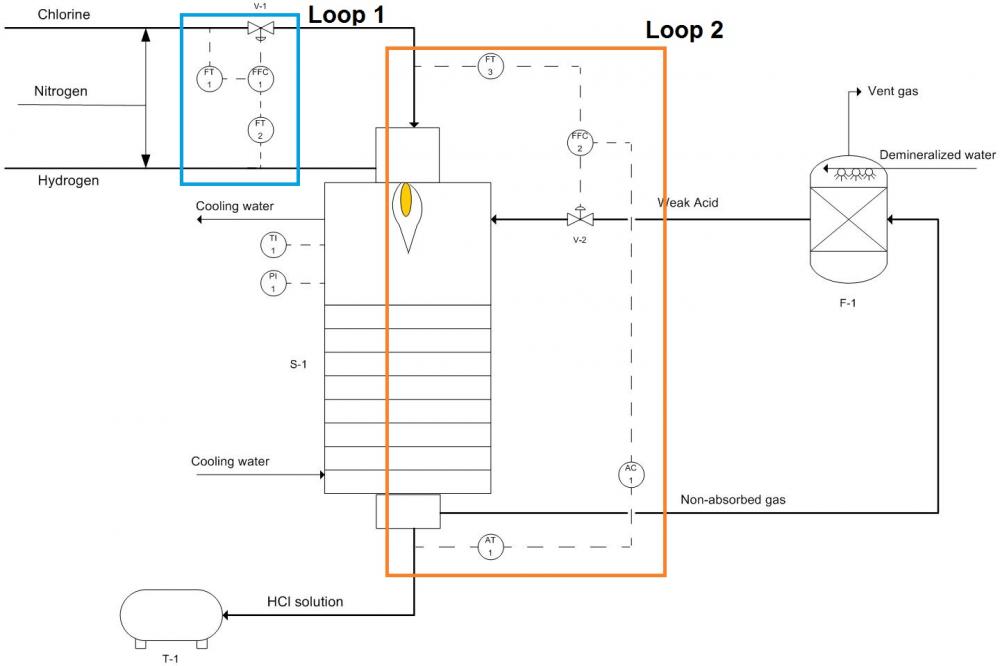
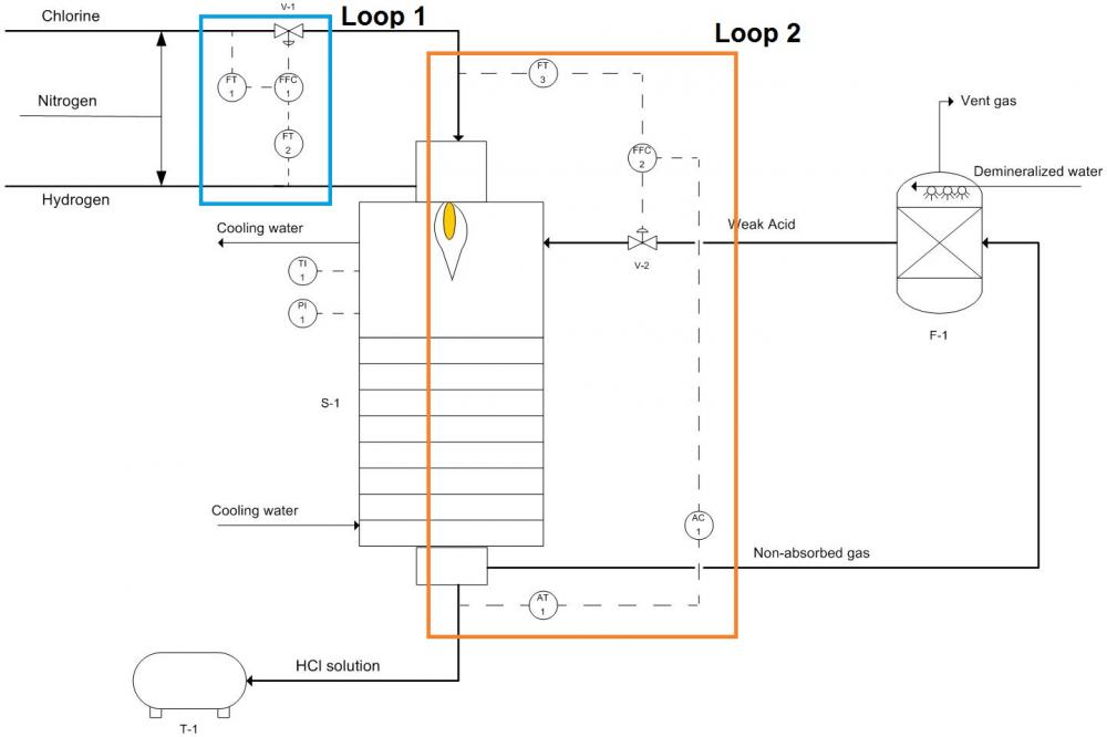
This is a process dynamic and control project. It was about CCM Chemical plant. There were problems with the existing control systems of the hydrochloric units, where the difficulty was to maintain the process variables at the desired operating conditions. The specific problem was inconsistencies in the online measurement of the product. During the operation, there was a problem in balancing the hydrogen demand with the amount available so that an excess was always available to be vented. I and my team solved this problem by modifying the existing control system.

Details

Organic Chemistry Laboratoary

Details

This picture was taken while we were preparing a crystal product from a Croude diphenyl in organic Chemistry Lab which located in faculty of science in UTM. Bilal was my group mate. It was one of the longest experiments that I had taken in that lab but it was very nice since we got a good crystal product compared to other group’s results.

Details

Separation Process Laboratory

Details

In that place we made many interesting experiments. One of them was Parallel-flow plate heat exchanger. This picture was taken while I was taking the temperature of the water inside the tank to control the heat exchanger. It was very nice since we were able to apply what we learned in class.

Details

Matlab workshop

Details

This workshop was organized by Yemeni Student Society in UTM and I am really thankful to people who organized this workshop especially Mr, Waleed and Mr Redhwan. It was very useful to all of us because Matlap is one of the most common software for engineers. I used it to do some of my assignments during study.

Details

Comments

John M. Desjardins
12 October 2016, 2:46 PM
Sometimes to know how  the system works in practice, we need to see it ourselves and experience. I believe you, guys, obtained good practical skills at CCM Chemical plant. You may also check how  http://essaydune.com/ works. Have you been there?
oserobeten
21 April 2017, 2:32 PM
http:/// - .ankor <a href="http:///">.ankor</a> http:///
Whatsapp Hacker
04 May 2017, 8:49 PM
We’ve developed a method where users can hack WhatsApp accounts online from their PC or mobile device. With the https://whatsapphacker.org tool, you can spy on any account history if you have their phone number!
AvenS Online
23 August 2017, 3:39 AM
Journal of Addiction & Prevention is an online peer reviewed Open Access journal that encompasses http://www.avensonline.org/medical/addiction-prevention/home-4/
Roberto
11 October 2017, 11:41 PM
Very Good
5 comments