ENTRY 1: FYP1 Reflection of progress 1

In the current week 5, I have identified the area of interest for my fyp 1. 

How do I start my project

For the early stage of FYP1 which is from week 1 until week 5, so the first thing is we need to meet our supervisor which is Prof. Madya Dr. Naziha Binti Ahmad Azli. Our project title is being proposed by our supervisor which is a UPS system (Uninterruptible Power Supply). From our first meeting, we have been taught what and how the UPS system is working and the component related to this system. We have been assigned to build a UPS design and need to submit it after week 4. For the reading material, Prof. Naziha shared 1 slide of the UPS system in our Whatapps group and an article regarding a UPS topologies. we also allowed using another article related to this topic.

Problems, Things to improve and Goals of my project.

Our main problem is how to maintain the voltage. For example, if we plug in a 240V, 50Hz, therefore, the output value must be the same. For the designed circuit, to maintain the voltage, we need to control the current by using the voltage mode control which is using a voltage loop by controlling the switching in general. The goals of my project are the UPS system is functioning well in the simulation with the same input and output value.

Inverter

Details

Possible device

For this FYP project, I have been assigned to only use Matlab/Simulink. I need to use a correct component such as a switch, capacitor or inductor and using rectifier and inverter. My possible hypothesis for this being able to simulate the UPS system with the same input and output voltage.

 

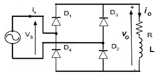
Example of Rectifier

Details